NanoStation Loco M5 - Sem Lan/Lan 10mb/Wireless fraco
Pessoal,
Tenho alguns equipamentos na seguinte situação:
- não tem lan mas funciona wireless
- tem lan mas só negocia 10mb e não acessa pela lan
- sinal wireless fraco
Minha dúvida é, como cada equipamento tem um problema diferente, pensei se poderia trocar peças de um para o outro e fazer reviver alguns, no caso dos aparelhos com problemas na lan, o que devo trocar para ver se revive?
1 Anexo(s)
Re: NanoStation Loco M5 - Sem Lan/Lan 10mb/Wireless fraco
O problema é que você precisa estação de ar-quente e prática com ela, não são componentes pra trocar com soldador comum.
Baixa potencia de transmissão é culpa do amplificador queimado. O NS Loco M5 tem 2, um pra cada antena, segue a trilha debaixo da lata da etapa de RF, são 2 CI's SiG 2593, é solda BGA por baixo, meio chato trocar, usa pasta de solda e ar-quente. Se usar setorial de polarização simples pode trocar só 1 e nem plugar a antena da outra polarização, vai virar um NS Loco S5 (Perdeu o Mimo :)
Se o aparelho nem escaneia nada, ou o sinal escaneado varia, aí o amplificador de saída não tem nada a ver com o problema, aí o problema é no chipset de RF, tem que trocar, é o AR9280 nos NS Loco.
Diferencia bem isso, transmissão é pelo amplificador, e recepção é direto no chipset. Se NEM transmite nem escaneia então a culpa é do AR9280 (Ou o chipset de RF, se reparar outros equiptos. Nuns equiptos há um chipset único com RF e CPU, mas a figura do amplificador de saída você sempre verá, não lembro de nenhum chipset com potencia de saída boa o suficiente pra ter CPE sem amplificador).
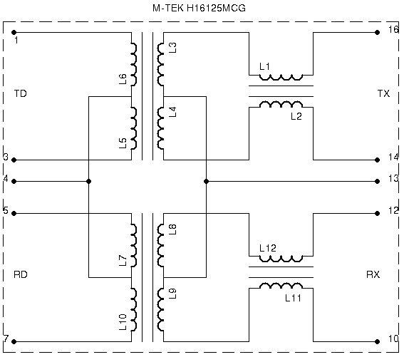
Se o aparelho nem acende led de switch quando pluga em switch (Só cuida se a CPE ligou, mas esquece led da CPE, olha se o switch identificou algo no cabo, se nem piscou o led dele) geralmente o trafo/driver queimou, é aquele ci da MagTek, o M-tek H16125.
Mas a grande maioria dos problemas em porta ethernet é culpa do chipset principal, o AR7240, tem que trocar sem dó.
Rocket, NS, grid e dish, todos eles queimam muito o chipset principal.
O AR7240 é um chipset muito usado em muitos produtos, vale a pena ter estoque:
http://www.ebay.com/itm/1PCS-IC-ATHE...-/361122074577
(Em outras CPE's pode ter um CI específico pra ethernet, são produtos onde há um CI de switch entre as portas e o chipset, neles se troca esse CI de switch, CI tipo o IP175 é comum)
Não se engane com isso de "Em 10M funciona", veja como fica o ping, geralmente perde muito pacote, um cabo de 2m com ping de 4 a 10ms e perdendo 15% dos pings é uma rede pra lá de lixo, até conecta e acessa o setup mas a rede dessas CPE's que não pena 100M está um lixo, geralmente é culpa do chipset, não caia na tentação de comprar o trafo/driver (h16125) só porque é barato e fácil trocar, ele é um trafo então é fácil ver resistencia pelo multimetro, a resistencia entre cada enrolamento desse é de cerca de 1 ohm:
Anexo 58368
Esses componentes tem no MercadoLivre também (Componentes do Ebay os lindos correios estão entregando com muito atraso, espero coisas de novembro ainda, mas envelope pequeno com poucos componentes é mais rápido que caixinha com muitos), pelo risco de danificar enquanto tira é melhor você NÃO fazer isso de tirar de um pra colocar em outro, melhor comprar componente pra troca mesmo, é muito mais fácil danificar componente na retirada do que na colocação, é normal ter cola em baixo, mas tirar o componente que você acabou de colocar não costuma ser um problema.
A "sorte" do NS Loco é usar CI comum, AR7240, AR9280, sza5044, 2593, h16125, são bem comum em varios produtos, por isso tem muito a venda. E acredite, acho que quem MAIS queima é o chipset e o amplificador de RF, esses 2 vale a pena ter estoque se você tiver muitos desses equiptos na rede.