Postado originalmente por
Edstein03
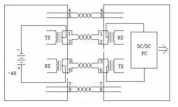
Amigos usamos o radio mimosa B5C, acredito que muitos já a utilizam, pois o radio é bom, porém não usamos com bateria,
sei que da pra usar a fonte no-break 48V+ da VOLT, porém gostaria de saber se da pra usar o mesmo padrão de crimpagem, padrao A e padrao B, porque a fonte original é invertido os cabos, cabos que levam energia são cabos de LAN, e os cabos que levam LAN são de energia, fico grato com a opiniao de vocês. É um radio mto caro para queimar só testando heehee...
Att.