Só não comprei bicicleta elétrica pra minha mãe por isso, com chumbo é certeza de recarga errada (As amigas dela que tiveram deixam no carregador vagabundo original por dia, a flutuação em tensão alta pelo visto mata elas rápido), e os sistemas com lithium custam uma fortuna porque precisa um controlador com ligação individual pras baterias não desequalizarem:
Anexo 66595
ou
Anexo 66596
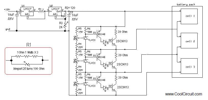
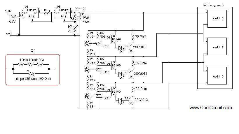
Toda vez que tentei carregar em série, deu pau logo na 2ª carga ou logo na 2ª hora de recarga. Precisa um equalizador/balanceador tipo:
https://pt.aliexpress.com/item/10S-1...414506359.html
Já pensei em testar algo tipo:
Anexo 66597
Mas tem que resolver esse trimpot de ajuste, muita bateria de notebook dá pau em 1 das células porque esse circuito falha as vezes por conta de divisor resistivo e resistência interna alterada, vou esperar aparecer no mercado algum circuito integrado que faça isso, pra 4 células pra roteador 12V até fica ok, mas pra circuito de tensão maior fica grande demais pra montar, dá preguiça.
(Ou fazer aqueles circuitos com sequencial tipo o CD4017 pra ir carregando 1 por vez, mas 10x por segundo)
Em bateria de carvão isso funcionava.
Nas pilhas comuns com manganês e no meio de carbono na verdade você poderia simplesmente abrir, pingar 2 gotas de água com sal no eletrodo de carbono, e estariam carregadas de novo (Mas eles sempre tiveram capacidade bem baixa).
Hoje algumas de manganês talvez ainda tenham construção assim, deve ter 15 anos que não abro uma pra conferir.
Anexo 66594
Outras baterias mais modernas não dependem de umidade interna.
Mitos de 1970 fazem sentido com produtos de 1970.
Pilhas e baterias alcalinas de 2017 podem de fato serem recarregadas sem risco nos carregadores comuns de hoje, perdem 10% da capacidade a cada recarga (Ou seja, vão prestar só até a 4ª ou 5ª recarga) mas pra coisa tipo controle remoto isso é mais que suficiente. Eu recarrego minhas alcalinas (AA, AAA e 9V) desde que consegui carregadores decentes lá por 2004, carregando até 1,45, por digamos 6 ou 7h a 100mA, nunca vi vazamento, mal esquentam (Ficam mornas).
(Explosão acho que só existiria com carga tipo 500mA ou mais, e lá pelos 1,6V)
Alias, fiz a conta agora, e são 3 relógios de parede, 1 termômetro, 1 higrômetro, 2 controles remotos, 2 mouse sem fio, 4 multimetros, 2 radio-relógios, todos com alcalinas recarregadas. Só compro novas porque mouse sem fio gasta muito (E com recarregáveis ele morre de vez, com alcalinas recarregadas ele começa a falhar aos poucos, dá tempo de terminar algo urgente).