+ Responder ao Tópico



  1. #1

    Padrão Step down 12 Volts para 5 Volts

    Gostaria de algumas informações sobre um projeto maluco.

    Tenho feito algumas prospecções de RF em áreas que não possuem acesso a eletricidade. Então a necessidade em ter uma fonte de energia portátil. Todos os equipamentos que utilizo para esses testes trabalham em 5V 1,5A

    Tenho então pensado em um pequenino projeto (leia-se gambiarra) em utilizar um carregador veicular desse tipo:

    Clique na imagem para uma versão maior

Nome:	         acendedor.jpg
Visualizações:	358
Tamanho: 	14,4 KB
ID:      	66591

    Desmontá-lo e utilizar seu circuito interno como um rebaixador de tensão, de 12V para 5V juntamente com uma ou duas baterias estacionárias de 12V 7Ah, que tem um tamanho pequeno e são fáceis de levar em uma bolsa ou mochila.

    Minha grande preocupação é em relação a estabilidade e a possíveis danos ao equipamento que será conectado nessa "gambiarra" (localizador de satélite, detector de RF, etc).

    Ou se alguém tiver dicas de equipamentos que sejam próprios para esse fim, fico desde já grato pelas informações.


    Abraço!

  2. #2

    Padrão Re: Step down 12 Volts para 5 Volts

    Alguns desses adaptadores USB usam os LM25xx IGUALZINHO as placas:
    http://produto.mercadolivre.com.br/M...ulo-lm2596-_JM

    O problema são uns com uns mosfets pequenos (Encapsulamento tipo BC548 e cia), aqueles tem muito ripple e não aguentam nem o que prometem.

    Se tiver LM2596 e cia pode confiar tranquilo, aguenta muito consumo mesmo.

    E se quiser algo ainda mais compacto, tem isso:
    http://www.dx.com/p/portable-1-x-186...e-white-248311

    Uso com baterias 18650 velhas de notebooks (Abre a bateria, joga no lixo as 2 ou 4 células ruim, usa as 2 ou 4 células boas), geralmente tem mais de 4Wh em cada bateria velha, mas já comprei célula 18650 que tinha mesmo quase 8Wh:
    http://www.dx.com/p/c5-rechargeable-...y-green-372286

    Levo sempre 2 ou 3 células carregadas, mas raramente uso mais que 1.

    Isso carrega as baterias pelo jack micro-USB, e "descarrega" pelo jack USB. Carrega lá pelos 1A de consumo no máximo (Tenho fonte de 10A mas não passa de 1A), e a saída realmente fica pouco abaixo de 1A, mas é só comprar mais um pra outros equiptos. Modelo de 2 baterias ( http://www.dx.com/p/stylish-2-x-1865...t-green-264158 ) que eu saiba só tem elas em paralelo, não aumenta a corrente.

    Esses aqui sim parece que tem circuito maior (A foto não é boa mas visivelmente é maior), pra mais corrente:
    http://www.dx.com/p/4-x-18650-batter...d-white-128888

    (A tensão deles suspeito que é 5,1 ou 5,15V, porque carrega até meus celulares Nokia mesozoicos. E na verdade 5,2V ainda não é problema pra aparelhos 5V, meu step-down no carro tá ajustado pra 5,2V a anos (2013?) e carrega tudo rapidinho, nunca perdi ou viciei bateria ou celular)

    Bateria 12V 7Ah vai ter uns 70Wh se consumir uns 10W, e tem o problema de morrer depois de umas 70 ou 80 cargas (As minhas de teste de nobreak nunca vivem 1 ano), as células 18650 velhas de notebook as vezes são muito boas (Sempre terá 1/3 ruim, mas o resto quase sempre está ótimo), as vezes dá pra conseguir várias, tipo bateria velha de 9 células, quase todas que abri tinham 6 células boas, algumas com 6 ou 7Wh de capacidade ainda!

    Bom seria um carregador de 4 ou 5 baterias em série, mas pela desequalização das células toda vez que tentei isso (E tentei muito) alguma célula morreu em poucos dias (Enquanto as outras ficaram sem receber carga), se reparar a maioria dos aparelhos comerciais tem tudo em paralelo, não dá pra fazer circuito simples/barato com elas em série, por isso bateria de notebook direto dá pau em só 1 das células. Aqui dá pra ver direito na foto 6 em paralelo:
    http://www.dx.com/p/6a-6-x-18650-bat...t-black-295182

    Vai carregar devagar pra caramba, com 6 células 2200mAh (13200mAh) e limitando nuns 900mAh como eles parecem limitar, será coisa de 20h provavelmente. Mas... tem 43Wh com peso bem menor que bateria 12V 7A de gel, com tamanho menor. Fora que pode carregar isso no carro tranquilo, pluga o cabo USB no som do carro e deixa carregando enquanto viaja, é bem prático.

  3. #3

    Padrão Re: Step down 12 Volts para 5 Volts

    Citação Postado originalmente por rubem Ver Post
    Alguns desses adaptadores USB usam os LM25xx IGUALZINHO as placas:
    http://produto.mercadolivre.com.br/M...ulo-lm2596-_JM

    O problema são uns com uns mosfets pequenos (Encapsulamento tipo BC548 e cia), aqueles tem muito ripple e não aguentam nem o que prometem.

    Se tiver LM2596 e cia pode confiar tranquilo, aguenta muito consumo mesmo.

    E se quiser algo ainda mais compacto, tem isso:
    http://www.dx.com/p/portable-1-x-186...e-white-248311

    Uso com baterias 18650 velhas de notebooks (Abre a bateria, joga no lixo as 2 ou 4 células ruim, usa as 2 ou 4 células boas), geralmente tem mais de 4Wh em cada bateria velha, mas já comprei célula 18650 que tinha mesmo quase 8Wh:
    http://www.dx.com/p/c5-rechargeable-...y-green-372286

    Levo sempre 2 ou 3 células carregadas, mas raramente uso mais que 1.

    Isso carrega as baterias pelo jack micro-USB, e "descarrega" pelo jack USB. Carrega lá pelos 1A de consumo no máximo (Tenho fonte de 10A mas não passa de 1A), e a saída realmente fica pouco abaixo de 1A, mas é só comprar mais um pra outros equiptos. Modelo de 2 baterias ( http://www.dx.com/p/stylish-2-x-1865...t-green-264158 ) que eu saiba só tem elas em paralelo, não aumenta a corrente.

    Esses aqui sim parece que tem circuito maior (A foto não é boa mas visivelmente é maior), pra mais corrente:
    http://www.dx.com/p/4-x-18650-batter...d-white-128888

    (A tensão deles suspeito que é 5,1 ou 5,15V, porque carrega até meus celulares Nokia mesozoicos. E na verdade 5,2V ainda não é problema pra aparelhos 5V, meu step-down no carro tá ajustado pra 5,2V a anos (2013?) e carrega tudo rapidinho, nunca perdi ou viciei bateria ou celular)

    Bateria 12V 7Ah vai ter uns 70Wh se consumir uns 10W, e tem o problema de morrer depois de umas 70 ou 80 cargas (As minhas de teste de nobreak nunca vivem 1 ano), as células 18650 velhas de notebook as vezes são muito boas (Sempre terá 1/3 ruim, mas o resto quase sempre está ótimo), as vezes dá pra conseguir várias, tipo bateria velha de 9 células, quase todas que abri tinham 6 células boas, algumas com 6 ou 7Wh de capacidade ainda!

    Bom seria um carregador de 4 ou 5 baterias em série, mas pela desequalização das células toda vez que tentei isso (E tentei muito) alguma célula morreu em poucos dias (Enquanto as outras ficaram sem receber carga), se reparar a maioria dos aparelhos comerciais tem tudo em paralelo, não dá pra fazer circuito simples/barato com elas em série, por isso bateria de notebook direto dá pau em só 1 das células. Aqui dá pra ver direito na foto 6 em paralelo:
    http://www.dx.com/p/6a-6-x-18650-bat...t-black-295182

    Vai carregar devagar pra caramba, com 6 células 2200mAh (13200mAh) e limitando nuns 900mAh como eles parecem limitar, será coisa de 20h provavelmente. Mas... tem 43Wh com peso bem menor que bateria 12V 7A de gel, com tamanho menor. Fora que pode carregar isso no carro tranquilo, pluga o cabo USB no som do carro e deixa carregando enquanto viaja, é bem prático.

    tava pensando em usar assim numa bicicleta eletrica, so estava pensando como fazer um carregador. pois acho q essas baterias sao melhor carregadas elas individualmente, agora fazer uma serie que de la pelos seus 50 volts, carregar isso em serie nao acho legal

  4. #4

    Padrão Re: Step down 12 Volts para 5 Volts

    Step down - fabioconversoresdc.com

  5. #5

    Padrão Re: Step down 12 Volts para 5 Volts

    Agradeço a todos!!! @rubem Aulão! Apredi muito!

    Grato @lcesargc e @portalink

  6. #6

    Padrão Re: Step down 12 Volts para 5 Volts

    Citação Postado originalmente por rubem Ver Post
    Abre a bateria, joga no lixo as 2 ou 4 células ruim, usa as 2 ou 4 células boas
    Me perdoem por desviar do assunto, mas pegando carona na resposta do nosso amigo, alguém saberia responder se é verdade ou mito a ação de congelar bateria de notebook por 3 dias, posteriormente deixando mais um dia ao sol, objetivando que funcionam novamente?

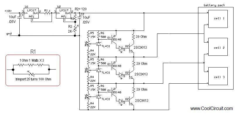
  7. #7

    Padrão Re: Step down 12 Volts para 5 Volts

    Citação Postado originalmente por lcesargc Ver Post
    tava pensando em usar assim numa bicicleta eletrica, so estava pensando como fazer um carregador. pois acho q essas baterias sao melhor carregadas elas individualmente, agora fazer uma serie que de la pelos seus 50 volts, carregar isso em serie nao acho legal
    Só não comprei bicicleta elétrica pra minha mãe por isso, com chumbo é certeza de recarga errada (As amigas dela que tiveram deixam no carregador vagabundo original por dia, a flutuação em tensão alta pelo visto mata elas rápido), e os sistemas com lithium custam uma fortuna porque precisa um controlador com ligação individual pras baterias não desequalizarem:
    Clique na imagem para uma versão maior

Nome:	         pack.jpg
Visualizações:	255
Tamanho: 	118,3 KB
ID:      	66595
    ou
    Clique na imagem para uma versão maior

Nome:	         10Sclogo.jpg
Visualizações:	272
Tamanho: 	51,2 KB
ID:      	66596

    Toda vez que tentei carregar em série, deu pau logo na 2ª carga ou logo na 2ª hora de recarga. Precisa um equalizador/balanceador tipo:
    https://pt.aliexpress.com/item/10S-1...414506359.html

    Já pensei em testar algo tipo:
    Clique na imagem para uma versão maior

Nome:	         charger_circuit.jpg
Visualizações:	237
Tamanho: 	44,9 KB
ID:      	66597
    Mas tem que resolver esse trimpot de ajuste, muita bateria de notebook dá pau em 1 das células porque esse circuito falha as vezes por conta de divisor resistivo e resistência interna alterada, vou esperar aparecer no mercado algum circuito integrado que faça isso, pra 4 células pra roteador 12V até fica ok, mas pra circuito de tensão maior fica grande demais pra montar, dá preguiça.

    (Ou fazer aqueles circuitos com sequencial tipo o CD4017 pra ir carregando 1 por vez, mas 10x por segundo)




    Citação Postado originalmente por dmarcio Ver Post
    Me perdoem por desviar do assunto, mas pegando carona na resposta do nosso amigo, alguém saberia responder se é verdade ou mito a ação de congelar bateria de notebook por 3 dias, posteriormente deixando mais um dia ao sol, objetivando que funcionam novamente?
    Em bateria de carvão isso funcionava.

    Nas pilhas comuns com manganês e no meio de carbono na verdade você poderia simplesmente abrir, pingar 2 gotas de água com sal no eletrodo de carbono, e estariam carregadas de novo (Mas eles sempre tiveram capacidade bem baixa).

    Hoje algumas de manganês talvez ainda tenham construção assim, deve ter 15 anos que não abro uma pra conferir.
    Nome:      manganes.png
Visitas:     460
Tamanho:  7,4 KB

    Outras baterias mais modernas não dependem de umidade interna.

    Mitos de 1970 fazem sentido com produtos de 1970.

    Pilhas e baterias alcalinas de 2017 podem de fato serem recarregadas sem risco nos carregadores comuns de hoje, perdem 10% da capacidade a cada recarga (Ou seja, vão prestar só até a 4ª ou 5ª recarga) mas pra coisa tipo controle remoto isso é mais que suficiente. Eu recarrego minhas alcalinas (AA, AAA e 9V) desde que consegui carregadores decentes lá por 2004, carregando até 1,45, por digamos 6 ou 7h a 100mA, nunca vi vazamento, mal esquentam (Ficam mornas).

    (Explosão acho que só existiria com carga tipo 500mA ou mais, e lá pelos 1,6V)

    Alias, fiz a conta agora, e são 3 relógios de parede, 1 termômetro, 1 higrômetro, 2 controles remotos, 2 mouse sem fio, 4 multimetros, 2 radio-relógios, todos com alcalinas recarregadas. Só compro novas porque mouse sem fio gasta muito (E com recarregáveis ele morre de vez, com alcalinas recarregadas ele começa a falhar aos poucos, dá tempo de terminar algo urgente).

  8. #8

    Padrão Re: Step down 12 Volts para 5 Volts

    +1 para Step down - fabioconversoresdc.com. Usei isso para um conversor de media 5v, alimentado com saida 24v do no-break Volt. Funciona bem!

  9. #9

    Padrão Re: Step down 12 Volts para 5 Volts

    Desculpa aí pessoal! mas voltando ao início e utilizando as 18650 consegui um bom resultado com http://produto.mercadolivre.com.br/M...-ajustavel-_JM para alimentar power beam em uma torre com energia solar, por segurança usei uma por rádio, já está funcionando a 19 meses sem problemas, usei uma bateria df500, mas com uma ou várias em paralelo (18650) em 5v ficará perfeito, pode até fazer com mais de uma tipo 5v, 12, 24... e com relação à Clique na imagem para uma versão maior

Nome:	         18650.png
Visualizações:	271
Tamanho: 	84,2 KB
ID:      	66601 dá para tentar algo usando microcontrolador ou arduino, etc..., posso estudar alguma coisa mas vou precisar de ajuda Rubem!!!

  10. #10

    Padrão Re: Step down 12 Volts para 5 Volts

    Citação Postado originalmente por rubem Ver Post
    Só não comprei bicicleta elétrica pra minha mãe por isso, com chumbo é certeza de recarga errada (As amigas dela que tiveram deixam no carregador vagabundo original por dia, a flutuação em tensão alta pelo visto mata elas rápido), e os sistemas com lithium custam uma fortuna porque precisa um controlador com ligação individual pras baterias não desequalizarem:
    Clique na imagem para uma versão maior

Nome:	         pack.jpg
Visualizações:	255
Tamanho: 	118,3 KB
ID:      	66595
    ou
    Clique na imagem para uma versão maior

Nome:	         10Sclogo.jpg
Visualizações:	272
Tamanho: 	51,2 KB
ID:      	66596

    Toda vez que tentei carregar em série, deu pau logo na 2ª carga ou logo na 2ª hora de recarga. Precisa um equalizador/balanceador tipo:
    https://pt.aliexpress.com/item/10S-1...414506359.html

    Já pensei em testar algo tipo:
    Clique na imagem para uma versão maior

Nome:	         charger_circuit.jpg
Visualizações:	237
Tamanho: 	44,9 KB
ID:      	66597
    Mas tem que resolver esse trimpot de ajuste, muita bateria de notebook dá pau em 1 das células porque esse circuito falha as vezes por conta de divisor resistivo e resistência interna alterada, vou esperar aparecer no mercado algum circuito integrado que faça isso, pra 4 células pra roteador 12V até fica ok, mas pra circuito de tensão maior fica grande demais pra montar, dá preguiça.

    (Ou fazer aqueles circuitos com sequencial tipo o CD4017 pra ir carregando 1 por vez, mas 10x por segundo)






    Em bateria de carvão isso funcionava.

    Nas pilhas comuns com manganês e no meio de carbono na verdade você poderia simplesmente abrir, pingar 2 gotas de água com sal no eletrodo de carbono, e estariam carregadas de novo (Mas eles sempre tiveram capacidade bem baixa).

    Hoje algumas de manganês talvez ainda tenham construção assim, deve ter 15 anos que não abro uma pra conferir.
    Nome:      manganes.png
Visitas:     460
Tamanho:  7,4 KB

    Outras baterias mais modernas não dependem de umidade interna.

    Mitos de 1970 fazem sentido com produtos de 1970.

    Pilhas e baterias alcalinas de 2017 podem de fato serem recarregadas sem risco nos carregadores comuns de hoje, perdem 10% da capacidade a cada recarga (Ou seja, vão prestar só até a 4ª ou 5ª recarga) mas pra coisa tipo controle remoto isso é mais que suficiente. Eu recarrego minhas alcalinas (AA, AAA e 9V) desde que consegui carregadores decentes lá por 2004, carregando até 1,45, por digamos 6 ou 7h a 100mA, nunca vi vazamento, mal esquentam (Ficam mornas).

    (Explosão acho que só existiria com carga tipo 500mA ou mais, e lá pelos 1,6V)

    Alias, fiz a conta agora, e são 3 relógios de parede, 1 termômetro, 1 higrômetro, 2 controles remotos, 2 mouse sem fio, 4 multimetros, 2 radio-relógios, todos com alcalinas recarregadas. Só compro novas porque mouse sem fio gasta muito (E com recarregáveis ele morre de vez, com alcalinas recarregadas ele começa a falhar aos poucos, dá tempo de terminar algo urgente).
    para carregar as baterias de litium da bicicleta, pensei em fazer um transformador com varios taps , só que ia ser um baita transformador gigante com muitos taps. da muito trabalho desisti da ideia.kk
    tenho bicicleta elétrica, uso baterias de chumbo, o preço delas aqui nao e tao alto. o negocio e nao deixar ela descarregar muito e sempre manter elas carregadas.

    agora pra roteadores, deve ter um jeito de aproveitar o circuito de notbook velho. ( eu gosto muito de recliclar)

    quanto a carregar as baterias e pilhas usadas vou testar aqui.

    também sofro muito com mouse sem fio. tava pensando em colocar uma bateria litio dentro do mouse, mais ele e muito pequeno nao achei uma que sirva, e as pilhas recarregáveis nao aguentam.

  11. #11

    Padrão Re: Step down 12 Volts para 5 Volts

    Citação Postado originalmente por sphreak Ver Post
    Gostaria de algumas informações sobre um projeto maluco.

    Tenho feito algumas prospecções de RF em áreas que não possuem acesso a eletricidade. Então a necessidade em ter uma fonte de energia portátil. Todos os equipamentos que utilizo para esses testes trabalham em 5V 1,5A

    Tenho então pensado em um pequenino projeto (leia-se gambiarra) em utilizar um carregador veicular desse tipo:

    Clique na imagem para uma versão maior

Nome:	         acendedor.jpg
Visualizações:	358
Tamanho: 	14,4 KB
ID:      	66591

    Desmontá-lo e utilizar seu circuito interno como um rebaixador de tensão, de 12V para 5V juntamente com uma ou duas baterias estacionárias de 12V 7Ah, que tem um tamanho pequeno e são fáceis de levar em uma bolsa ou mochila.

    Minha grande preocupação é em relação a estabilidade e a possíveis danos ao equipamento que será conectado nessa "gambiarra" (localizador de satélite, detector de RF, etc).

    Ou se alguém tiver dicas de equipamentos que sejam próprios para esse fim, fico desde já grato pelas informações.


    Abraço!

    tava olhando o ML, vi alguma coisa que derrepente poderia te ajudar, veja se a soma das correntes de todos aparelhos seja compatíveis, ou seja nao pode ser maior qua a disponibilizado pelo carregador, seria bem pratico

    agora se for muita corrente aconselho a fazer umas gambi mesmo kkk

    http://produto.mercadolivre.com.br/M...nk-celular-_JM

    http://produto.mercadolivre.com.br/M...oid-xiaomi-_JM

  12. #12

    Padrão Re: Step down 12 Volts para 5 Volts

    Citação Postado originalmente por lcesargc Ver Post
    tava olhando o ML, vi alguma coisa que derrepente poderia te ajudar, veja se a soma das correntes de todos aparelhos seja compatíveis, ou seja nao pode ser maior qua a disponibilizado pelo carregador, seria bem pratico

    agora se for muita corrente aconselho a fazer umas gambi mesmo kkk

    http://produto.mercadolivre.com.br/M...nk-celular-_JM

    http://produto.mercadolivre.com.br/M...oid-xiaomi-_JM
    50Ah com esse tamanho? Estranho isso...

    Quando mencionei o carregador veicular e a bateria de 7Ah do tipo para no-break, é porque tenho alguns desses itens parados aqui.. sabe que uma boa gambiarra não paga imposto né!

  13. #13

    Padrão Re: Step down 12 Volts para 5 Volts

    Citação Postado originalmente por sphreak Ver Post
    50Ah com esse tamanho? Estranho isso...

    Quando mencionei o carregador veicular e a bateria de 7Ah do tipo para no-break, é porque tenho alguns desses itens parados aqui.. sabe que uma boa gambiarra não paga imposto né!
    o artista(ops vendedor) deve ter escrito errado, era pra ser 5000 mah, mais na realidade acho que no máximo deve dar 2500mah ou 2,5ah.

    Bom se ja tem material em casa usa-se o que tem, também sou assim, gosto de aproveitar o que tenho.

    a propósito , vc poderia também usar baterias de notebook velha, como o @rubem disse sempre se aproveita algumas. acho que ia ficar muito mais leve e menor a adaptação.
    falando em adaptaçao, usei uma bateria de notebook velha pra usar numa parafusadeira. as velhas era de niquel, e ja nao pegavam carga. usei apenas 3 das 6 celulas que vem dentro do pack da bateria.

    ja montou?? como ficou?

  14. #14

    Padrão Re: Step down 12 Volts para 5 Volts

    Esse é dos casos que uma bateria original de 2200mAh custa US$ 5, mas uma genérica de 4400mAh custa US$ 1!

    Por isso recomendo ver os comentários no DX.com, ninguém é burro de acreditar que bateria de US$ 2 por unidade teria de fato 3600mAh:
    http://www.dx.com/p/ultrafire-18650-...ies-pair-50486

    Então eles avisam que a capacidade real medida foi de 1000mAh.

    (Mas a capacidade real nos carregadores com medidor é pra consumo muito baixo, equivale a um C100 (Descarga em 100h). Se usar em C10 (Descarga em 10h) a capacidade real cai mais uns 10 a 20% conforme construção)

    O fabricante desses bancos a venda no ML talvez usou baterias desse tipo, bateria de US$ 2 que tem silkado 5600mAh existe! Mas obviamente não vai ter mais que 1000 a 1200mAh. Se tiver 8000mAh na real será muito.

    Mas... na verdade esses powerbank maiores ORIGINAIS/DECENTES não tem células 18650 redondas, e sim as prismáticas, tipo esses:
    http://www.ebay.com/itm/10000mAh-LiP...-/111996289846

    Seriam assim:
    Clique na imagem para uma versão maior

Nome:	         maxresdefault.jpg
Visualizações:	262
Tamanho: 	121,8 KB
ID:      	66642

    Essa em especial deve ter uns 6Ah na real. Célula cilíndrica tem custo meio alto quando se faz grande, mas célula prismática de fato é mais barata produzir quando é grande, então elas realmente MENTEM MENOS na capacidade real.

    Só que: Só 1 célula de 10Ah (Silkado! Cuja capacidade real mal passa de 6Ah) já fica em R$ 80, então CHANCE ZERO desse powerbank ter células com pelo menos silkagem falando em 50Ah! Isso deve ter células baratinhas, e uns 5000mAh na real (Mas silkadas 25000mAh cada), por esse preço NÃO TEM COMO ter célula de capacidade alta.

    O powerbank do ML de 10,4Ah tem lateral redonda então esse com certeza tem umas células 18650 dentro, vão ser 8 células de 1300mAh, estas são bem baratinhas, falo de pacotes de 8 de 1300mAh (8x 1,3 = 10,4Ah) tipo esses lixinhos:
    http://www.ebay.com/itm/NEW-8-x-Rech...K/272454581165
    Que na real provavelmente terão 600mAh provavelmente, digamos então 8x 0,6 = 4,8Ah (Mas isso em C100! Em C10 duvido que dê 4Ah. Em C1 isso nem aguenta mais que uns 1,5A de consumo que a proteção costuma abrir então nem dá pra medir)

    Por esses preços não tem como prestar, compara só um anúncio honesto falando em 500mAh de capacidade real:
    http://www.dx.com/p/ultrafire-3-7v-5...y-2-pcs-306932
    8 células dessa e já passa o preço de um powerbank desse (Fora uns R$ 10 com caixa plástica e placa de circuito), sem ter mais que 4Ah na real! Pra ter 10,4Ah isso TEM QUE CUSTAR pelo menos R$ 130.

    (Pra ter 50Ah teria que chegar nos R$ 400, mas ter um tamanho muito maior! As células que a Tesla usa no seu carro elétrico (Modelo S) se não me engano são de pouco mais de 200Wh mas pesam quase 1kg! 50Ah em 3,7V vem a ser 185Wh, isso precisa pesar 1kg com placa, caixa e etc. Esses powerbank pequenos prometem mundos e fundos pesando 350 gramas, já começa errado no peso e tamanho!)

    Não adianta comprar produto que promete 50 mil esperando ter 10 mil, é muito mais seguro e barato comprar pacotes de baterias avulsas que prometem 5 mil, ter 5 mil de verdade, e comprar suporte pra elas, algo simples de abrir e trocar as células quando precisar (Célula barata realmente vira lixo depois de 300 a 400 ciclos, só noobs sonham que a promessa de 900 ciclos é real. A velocidade de descarga não afeta só a capacidade máxima fornecida, afeta também a vida útil, fazer descarga 100h talvez permite chegar em 500 ciclos, mas se fizer descarga em 6 ou 10h não conte com mais que 300 ciclos antes de cair a capacidade em 30% (Daí pra frente é ladeira abaixo, vai começar a descarregar em 7h ao invés de 10h, e essa descarga em 7h vai levar mais 100 ciclos pra começar a ter só 10% da capacidade original, porque quanto maior a corrente percentual de descarga maior o calor na célula, em célula velha o jeito de estender a vida útil é ir diminuindo a corrente de descarga (Pra manter temperatura e rate percentual), mas ninguém faz isso, no uso típico a corrente consumida é constante, mas ela representa cada dia um valor percentual maior da capacidade real, a partir de meia vida elas perdem vida útil em 1/3 do tempo que perdem quando são novas, levam 1 ano pra perder 25% da capacidade, mas os próximos 25% de capacidade serão perdidos em 2-3 meses, e em mais 1 mês vai perder o restinho que sobrou de capacidade).