Página 1 de 2 12 ÚltimoÚltimo
+ Responder ao Tópico



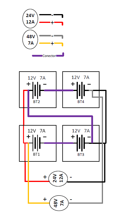
  1. #1

    Padrão Ligação de baterias em serie e paralelo ao mesmo tempo.

    Senhores.
    Tenho duvida, se posso fazer essa ligação com 4 baterias, 12V / 7A para fornecer 24V / 12A e ao mesmo tempo 48V / 7A.
    Para alimentar dois patch panel POE, um com 24V/12A e o outro com 48V/7A.
    Conforme imagem abaixo.

    Clique na imagem para uma versão maior

Nome:	         Ligação baterias.PNG
Visualizações:	2356
Tamanho: 	23,3 KB
ID:      	65226

    Desde já, agradeço a atenção de todos.

  2. #2

    Padrão Re: Ligação de baterias em serie e paralelo ao mesmo tempo.

    Desse jeito como está o esquema não dá não amigo. É possível fazer ligação ou paralela ou série, mas nunca as duas ao mesmo tempo. Essa linha roxa que sai do positivo da bateria 1 ao negativo da bateria 4 também faz ponte direta com o positivo da bateria 3, gerando curto. Se ligar assim vai derreter tudo na hora.

    Não sou expert em eletrônica, mas talvez (talvez mesmo) se projetar um circuito que isole as cargas e só drene a tensão quem sabe funcione.

  3. #3

    Padrão Re: Ligação de baterias em serie e paralelo ao mesmo tempo.

    Amigo... fui dar uma revisada em fisica do 2¤ grau... O que você projetou ali na verdade são duas series de 12v dando 24v cada e duas paralelas de 24v totalizando 24volts 14A no circuito...
    Onde você colocou as saidas de 24v e 48v na verdade se você olhar bem elas são uma coisa só... duas saidas de 24v 14A... a ligação que você fez entre o positivo da bat1 e o negativo da bat 4, na verdade é um curto na saida...

    Um belo projeto de incêndio... hehehehehhe [emoji23] [emoji23] [emoji23] [emoji16] [emoji16]

    O que pode fazer é ligar tudo em serie, totalizando 48V 7A e utilizar um rebaixador de tensão (trafo) para 24V.

    Enviado via SM-J110L usando UnderLinux App

  4. #4

    Padrão Re: Ligação de baterias em serie e paralelo ao mesmo tempo.

    P.S. Não vi a marcação... estou considerando a sequencia:
    1 2
    3 4

    Enviado via SM-J110L usando UnderLinux App

  5. #5
    Avatar de Nilton Nakao
    Ingresso
    Sep 2013
    Localização
    Carlos Chagas, Minas Gerais
    Posts
    1.358

    Padrão Re: Ligação de baterias em serie e paralelo ao mesmo tempo.

    Precisa ficar atento, por que equipamentos em 48Vcc o GND é positivo e os de 12 ou 24 o GND é negativo. Caso o GND sejam isolados, dá para se fazer com um único banco de baterias, do contrário precisa de dois bancos ( 24 e 48). Aconselho a utilizar dois bancos, por que numa eventual substituição de marca ou mesmo modelo você pode precisar refazer toda a sua estrutura.

  6. #6

  7. #7

  8. #8

    Padrão Re: Ligação de baterias em serie e paralelo ao mesmo tempo.

    Citação Postado originalmente por Nilton Nakao Ver Post
    Precisa ficar atento, por que equipamentos em 48Vcc o GND é positivo e os de 12 ou 24 o GND é negativo. Caso o GND sejam isolados, dá para se fazer com um único banco de baterias, do contrário precisa de dois bancos ( 24 e 48). Aconselho a utilizar dois bancos, por que numa eventual substituição de marca ou mesmo modelo você pode precisar refazer toda a sua estrutura.
    GND é positivo em equipamentos -48VDC apenas, não? Há equipamentos que são +48VDC (AirFiber, por exemplo, se não me engano) e nesses aí o GND é negativo...

    Outra opção ao invés de criar dois bancos de baterias seria montar um banco para -48VDC com um retificador e depois usar um conversor DC/DC de -48V para 24V (as mesmas fabricantes dos retificadores costumam ter). Esses conversores com polarização diferente devem fazer o isolamento do GND, eu suponho.

  9. #9
    Avatar de Nilton Nakao
    Ingresso
    Sep 2013
    Localização
    Carlos Chagas, Minas Gerais
    Posts
    1.358

    Padrão Re: Ligação de baterias em serie e paralelo ao mesmo tempo.

    Sim TsouzaR, existe inversor DC/DC no caso -48 -ara 12, 24 ou mesmo 48; acho que deva existir de -96V, ultilizado em algumas embarcações fluviais ou marítimas.

  10. #10

    Padrão Re: Ligação de baterias em serie e paralelo ao mesmo tempo.

    Isso, tem que cuidar bem isso, o único jeito de isolar o GND é com inversor. Nos conversores o GND da entrada é o mesmo da saída.

    Conversor 24>48V, ou 48>24V, tem aos montes, mas isolando o negativo só inversor mesmo, que são caros pra caramba porque não tem demanda.

    Última vez que cotei acho que foi um desses:
    http://www.phb.com.br/produtos/energ.../48S50_br.aspx
    ou
    http://www.phb.com.br/produtos/energ...B19_21_br.aspx
    (Tem "conversor" no nome mas o mercado de 48V nunca respeitou terminologia decente, vivem chamando carregador flutuador de "retificador")

    Acho que era o maior, na época ficava mais caro que um painel solar 24V 255W com 2 baterias de 90Ah (Acho que era mais de R$ 2 mil!).

    Quem precisa -48 e +24V, e precisa unir os GND (Pra aterramento), tá lascado, mais barato fazer um sistema 24V e outro 48V, ou usar inversor DC/AC 24V e uma fonte chaveada 48V comum.

    Uma gambiarra possível seria usar carregador 72V (Se tivesse no mercado) assim:
    Clique na imagem para uma versão maior

Nome:	         72v.jpg
Visualizações:	4202
Tamanho: 	64,6 KB
ID:      	65230

    (O carregador no caso seria um flutuador a quase 80V. Tem como meter um painel solar 24V 315W num conversor ajustado pra 79V: http://produto.mercadolivre.com.br/M...el-12v-80v-_JM )

  11. #11
    Avatar de Nilton Nakao
    Ingresso
    Sep 2013
    Localização
    Carlos Chagas, Minas Gerais
    Posts
    1.358

    Padrão Re: Ligação de baterias em serie e paralelo ao mesmo tempo.

    Eu já vi inversores de -48 Vcc para 12 Vcc e usam o mesmo GND. Usam o mesmo aterramento, portanto o GNDs são iguais; Possui um circuito modulador pwm (ao invés de 160/350 volts, modificado para -36 a -70 volts), com um transformador e circuito secundário com retificador e regulador de tensão e corrente. Mas também já vi circuitos de 12V na entrada e saída -48 V para atender a norma telebrás e antiga DENTEL. Infelizmente esses produtos são nada baratos devido a demanda.

  12. #12

    Padrão Re: Ligação de baterias em serie e paralelo ao mesmo tempo.

    Olá senhores.
    Entendi as explicações de vocês, não sendo possível, conforme imagem do tópico, vou verificar custo & beneficio & espaço, colocando dois banco de barias ou inversor.
    Obrigado a todos pelas explicações.

  13. #13

    Padrão Re: Ligação de baterias em serie e paralelo ao mesmo tempo.

    Até onde sei não é possível usar o mesmo banco -48V para retirar os 24V.... Pois a carcaça das RB negativo e aterrando... Quando ligar no Raque fecha curto..... .. correto é conversor dc/Dc isolado para 24V

    Enviado via MotoE2(4G-LTE) usando UnderLinux App

  14. #14

    Padrão Re: Ligação de baterias em serie e paralelo ao mesmo tempo.

    Boa noite!
    Amigo da para fazer sim o que vc quer tem aqui e funciona perfeitamente as baterias em série as quatro temos 48 e no meio do circuito retiro os 24 tranquilo

  15. #15

    Padrão Re: Ligação de baterias em serie e paralelo ao mesmo tempo.

    Citação Postado originalmente por Rafa100 Ver Post
    Boa noite!
    Amigo da para fazer sim o que vc quer tem aqui e funciona perfeitamente as baterias em série as quatro temos 48 e no meio do circuito retiro os 24 tranquilo
    Poderia explicar seu cenário?
    Usa rádio digital(SIAE-Wi2be-Ceragon-NEC-Comba)
    Tudo aterrado....
    Raque + Réguas + Torre

    -48V.....com +24V....
    Como proceder?
    Vc isola seu rádio?


    Enviado via MotoE2(4G-LTE) usando UnderLinux App

  16. #16

    Padrão Re: Ligação de baterias em serie e paralelo ao mesmo tempo.

    A alimentação de -48 e +24V é ok nesse esquema:
    Clique na imagem para uma versão maior

Nome:	         48v.jpg
Visualizações:	1668
Tamanho: 	48,6 KB
ID:      	65303

    Mas aí um deles tem que ficar sem aterramento, afinal a carcaça do equipto 24V terá outros 24V com relação a carcaça do equipto 48V.

    E tem outro problema: O equipto 24V está consumindo só de 2 baterias, seria um nobreak assimétrico onde as 2 baterias da direita durariam menos que as outras 2 (Teria 21V num par enquanto o outro ainda teria 23V).

    É dos poucos casos que acabo concordando que é mais barato meter uma única bateria 12V e usar inversor pra 115VAC (E perder quase 40% da energia por bobeira, soma 20% de perda no inversor e mais 10-15% perdido nas fontes (Mas são 15% de perdas de 115VAC que já teve 20% de perdas, 20+10 nesse caso não dá 30% de perdas somadas e sim mais)).

    Ou isso ou viver perigosamente sem aterramento (Com algum equipamento isolado, isolando carcaças, coisa que eu até uso).

  17. #17

    Padrão Re: Ligação de baterias em serie e paralelo ao mesmo tempo.

    Uso Retificador ou placa solar baterias em série o que manda será a capacidade em AH das baterias

  18. #18

    Padrão Re: Ligação de baterias em serie e paralelo ao mesmo tempo.

    Citação Postado originalmente por rubem Ver Post
    A alimentação de -48 e +24V é ok nesse esquema:
    Clique na imagem para uma versão maior

Nome:	         48v.jpg
Visualizações:	1668
Tamanho: 	48,6 KB
ID:      	65303

    Mas aí um deles tem que ficar sem aterramento, afinal a carcaça do equipto 24V terá outros 24V com relação a carcaça do equipto 48V.

    E tem outro problema: O equipto 24V está consumindo só de 2 baterias, seria um nobreak assimétrico onde as 2 baterias da direita durariam menos que as outras 2 (Teria 21V num par enquanto o outro ainda teria 23V).

    É dos poucos casos que acabo concordando que é mais barato meter uma única bateria 12V e usar inversor pra 115VAC (E perder quase 40% da energia por bobeira, soma 20% de perda no inversor e mais 10-15% perdido nas fontes (Mas são 15% de perdas de 115VAC que já teve 20% de perdas, 20+10 nesse caso não dá 30% de perdas somadas e sim mais)).

    Ou isso ou viver perigosamente sem aterramento (Com algum equipamento isolado, isolando carcaças, coisa que eu até uso).
    Vc explicou bem......
    Porém vc não usa SISTEMA -48V e sim +48V... Dessa forma e possível vc de 12V até 48V.......
    Todos que trabalham sabem do problema..... Grandes e pequenos fabricante de equipamentos rodar em corrente (-) ou corrente (+).... Elevando custo..... Fica critério arriscar.......lembrando que alguns Fulloutdor como o Comba. Wi2be permite rodar + ou -

    Enviado via MotoE2(4G-LTE) usando UnderLinux App

  19. #19

    Padrão Re: Ligação de baterias em serie e paralelo ao mesmo tempo.

    Minha dica, monte sistema -48v e oque precisar alimentar com 24v uso um conversor isolado. Precisa ser isolado do contrario vai fechar curto legal. Tenho usado da volt em 3 pop, 2 com energia solar e 1 com retificadora em energia Ac. Pode usar o msm aterramento pra ambos sem problema algum

  20. #20

    Padrão Re: Ligação de baterias em serie e paralelo ao mesmo tempo.

    Citação Postado originalmente por FANTOXY Ver Post
    Vc explicou bem......
    Porém vc não usa SISTEMA -48V e sim +48V... Dessa forma e possível vc de 12V até 48V.......
    Todos que trabalham sabem do problema..... Grandes e pequenos fabricante de equipamentos rodar em corrente (-) ou corrente (+).... Elevando custo..... Fica critério arriscar.......lembrando que alguns Fulloutdor como o Comba. Wi2be permite rodar + ou -

    Enviado via MotoE2(4G-LTE) usando UnderLinux App
    Nesse esquema do desenho se aterrar a carcaça do rádio -48V estará aterrando o positivo do rádio 24V, se deixar a carcaça dele isolada do aterramento esse seria o cenário menos ruim, pois um positivo aterrado geraria só a queima de alguns componentes baratos do VRM em caso de raio.

    Eu coloquei um rádio Ceragon -48V num esquema desse, com uma PowerBridge em +24V, o cabo ethernet é isolado (Não usa um negativo comum a ambos tipo HDMI, VGA ou RS232/RS485 usam) e no caso da PowerBridge a carcaça metálica é isolada do circuito do rádio (Os dipolos dentro da ponteira não tocam em nada, diferente de usar um Rocket M5, onde a carcaça da antena faria contato com o negativo do Rocket). Acho mais importante aterrar o equipamento mais caro, e um rádio licenciado -48V geralmente custa o preço de 3 ou 4 equipamentos 24V (CCR ou RB's menores).

    Se der pra isolar a carcaça do equipamento 24V tá tudo fácil, ter o positivo aterrado não é o ideal mas não é exatamente inútil, e em equipamento indoor com cabos ethernet curtos a diferença de potencial com relação ao terra em caso de raios por perto já será naturalmente menor, se só um dos lados tiver aterramento já está bom, e se tiver protetor de surto na porta ethernet em caso de cabos longos também ajuda muito, como ethernet é isolado a polarização da carcaça importa pouco na hora de colocar protetores ethernet com centelhadores (Sem proteção extra pra POE).