Página 1 de 6 12345 ... ÚltimoÚltimo
+ Responder ao Tópico



  1. #1

    Padrão Sucesso! Ptp 59 KM com 18 Mbps full

    Olá a todos do Under-linux, tô postando aqui o sucesso que tive no enlace de 59kms até a cidade onde vou pegar o link da Unotel.
    Depois de muito duvidar de que ia dar visada e que a fresnel não ia ser "limpa" , e de que dificilmente iria conseguir espaço lá na cidade (grande) ,
    GRAÇAS ao forum conheci um dono de provedor aqui perto que tinha as moral de conseguir o espaço lá, fiz uma parceria com ele e estamos indo.. (obrigado under-linux)

    Hoje 1 de julho depois de 60 dias correndo atrás, finalmente terminei o enlace..

    Lado A -
    1 Oiw 33 + RB600A + 1 XR5 +FONTE 13vcc 3amp

    Lado B
    1 Oiw 33 + RB600A+ 1XR5 + Fonte POE 48v 1amp

    SIGNAL #
    @54M -60
    @36M -58
    @9M -55

    com 36M (foi a que eu fixei) tá 42 SNR, com 54M fica 38 SNR e o througput não tem tanta diferença, mas senti diferença no PING.

    com 54Mb eu consefui 19 a 20MB FULL fica oscilando nessa faixa.. porem o ping fica 1 , 2 , 20, 12 , 4, 20, 33, 1, 2 ,2 ,2, 5 , 33, 44, 22, 12, 32 , tipo desse jeito..

    com 36Mb eu tenho 18Mb full como anexo em foto e fico com ping estabilizado abaixo de 5ms sendo que boa parte é 1ms..

    agora falta só puxar a fibra da unotel e tô com o link funcionando e dar alguns retoques na parte de backup de energy , o resto tá mamão..
    mas pra quem tá fazendo ou vai fazer algum enlace, NÃO FICA BARATO! é caro.. TUDO é caro,
    o cartão é 400 pila, a Routerboard é 800 pila.. mas o cara de tudo não é isso, é o de deslocar-se , perder muitos dias quebrando cabeça com isso.. alguns custos operacionas e outros custos de "padrinhagens",
    mas compensa e muito, então aqui vai meu relato e tambem deixo fotos de como estão as coisas por aqui..
    espero que ajude alguem que esteja em duvida quanto a link de grandes distancias.

    E QUE VENHA A UNOTEL

    [os equipamentos foram comprados na Ceitel.com.br @Ipatinga-MG todos com nota fiscal e um atendimento excelente]

    Miniaturas de Anexos Miniaturas de Anexos Clique na imagem para uma versão maior

Nome:	         0629091604-00.jpg
Visualizações:	1130
Tamanho: 	149,4 KB
ID:      	4775   Clique na imagem para uma versão maior

Nome:	         0608091232-00.jpg
Visualizações:	982
Tamanho: 	185,4 KB
ID:      	4776  

    Clique na imagem para uma versão maior

Nome:	         0608091234-00.jpg
Visualizações:	908
Tamanho: 	203,5 KB
ID:      	4777   Clique na imagem para uma versão maior

Nome:	         0011.jpg
Visualizações:	570
Tamanho: 	169,9 KB
ID:      	5847  

    Última edição por yondaime; 17-10-2009 às 22:31.

  2. #2

    Padrão

    meus parabens.......

    muito bom ver casos de sucesso aqui no forum, onde costumamos ver apenas problemas e problemas...rsrs

    eu mesmo sou um que costumo colocar problemas aqui....

  3. #3

    Padrão

    Só completando:

    [Claro que depois disso eu resolvi fuçar no ENLACE.. testar tudo que a RB pode fazer]

    aplicando em TURBO eu consegui 22mb full.

  4. #4

    Padrão

    Olá,

    mas você usou luneta, GPS ou sinalização para alinhar as antenas ou foi no "rumo" ou "olhômetro"?

  5. #5

    Padrão

    Cara, parabéns.

    Fechamos hoje um enlace de 45km, usando RB600, OIW 33 dbi mas usamos os cartões CM10.
    O sinal ficou muito bom ao meu ver, em torno de -59. Só que no teste do bandwidth passou só 2MB.
    Cara to sem dormir direito pq não sei o que posso fazer pra melhorar isso.

    Se pudar dar uma olhada no meu tópico agradeço: Enlace 45 KM - Cartão CM10 + Hyperlink - Página 3


    Obrigado !

  6. #6

    Padrão

    Citação Postado originalmente por gustavo_marcon Ver Post
    Cara, parabéns.

    Fechamos hoje um enlace de 45km, usando RB600, OIW 33 dbi mas usamos os cartões CM10.
    O sinal ficou muito bom ao meu ver, em torno de -59. Só que no teste do bandwidth passou só 2MB.
    Cara to sem dormir direito pq não sei o que posso fazer pra melhorar isso.

    Se pudar dar uma olhada no meu tópico agradeço: Enlace 45 KM - Cartão CM10 + Hyperlink - Página 3


    Obrigado !
    Axo que vc devia usar cartao xr5

  7. #7

    Padrão

    amigo tem um disco afastado da torre, minha sugestao que vc fixe este disco na base da torre para evitar uma torção na torre e ela dobrar, 99% das quedas de torres estaiadas são por causa de torsão, um vento forte neste disco aquele suporte vira uma alavanca.

  8. #8

    Padrão

    Parabéns yondaime, Quase lá. rs. Tá com nstreme Ativado?

    Abraços

    Fábio

    Tô quase conseguindo cellflex da andrew.

  9. #9
    Moderador Avatar de Magal
    Ingresso
    Mar 2007
    Localização
    Rio de Janeiro
    Posts
    2.041
    Posts de Blog
    118

    Padrão

    Luizbe??????

  10. #10
    Moderador Avatar de xandemartini
    Ingresso
    Nov 2005
    Localização
    Espumoso, Brazil
    Posts
    2.405
    Posts de Blog
    1

    Padrão

    Citação Postado originalmente por yondaime Ver Post
    Olá a todos do Under-linux, tô postando aqui o sucesso que tive no enlace de 59kms até a cidade onde vou pegar o link da Unotel.
    Depois de muito duvidar de que ia dar visada e que a fresnel não ia ser "limpa" , e de que dificilmente iria conseguir espaço lá na cidade (grande) ,
    GRAÇAS ao forum conheci um dono de provedor aqui perto que tinha as moral de conseguir o espaço lá, fiz uma parceria com ele e estamos indo.. (obrigado under-linux)

    Hoje 1 de julho depois de 60 dias correndo atrás, finalmente terminei o enlace..

    Lado A -
    1 Oiw 33 + RB600A + 1 XR5 +FONTE 13vcc 3amp

    Lado B
    1 Oiw 33 + RB600A+ 1XR5 + Fonte POE 48v 1amp

    SIGNAL #
    @54M -60
    @36M -58
    @9M -55

    com 36M (foi a que eu fixei) tá 42 SNR, com 54M fica 38 SNR e o througput não tem tanta diferença, mas senti diferença no PING.

    com 54Mb eu consefui 17 a 18MB FULL fica oscilando nessa faixa.. porem o ping fica 1 , 2 , 20, 12 , 4, 20, 33, 1, 2 ,2 ,2, 5 , 33, 44, 22, 12, 32 , tipo desse jeito..

    com 34Mb eu tenho 14Mb full como anexo em foto e fico com ping estabilizado abaixo de 5ms sendo que boa parte é 1ms..

    agora falta só puxar a fibra da unotel e tô com o link funcionando e dar alguns retoques na parte de backup de energy , o resto tá mamão..
    mas pra quem tá fazendo ou vai fazer algum enlace, NÃO FICA BARATO! é caro.. TUDO é caro,
    o cartão é 400 pila, a Routerboard é 800 pila.. mas o cara de tudo não é isso, é o de deslocar-se , perder muitos dias quebrando cabeça com isso.. alguns custos operacionas e outros custos de "padrinhagens",
    mas compensa e muito, então aqui vai meu relato e tambem deixo fotos de como estão as coisas por aqui..
    espero que ajude alguem que esteja em duvida quanto a link de grandes distancias.

    E QUE VENHA A UNOTEL

    [os equipamentos foram comprados na Ceitel.com.br @Ipatinga-MG todos com nota fiscal e um atendimento excelente]

    Parabéns! Sei bem como é a satisfação de terminar com sucesso um desafio! E que venha a Unotel hehehehe!

  11. #11

    Padrão

    fabio,
    N-streme ativado e TURBO tambem,
    fica + - assim, 31mb vindo e 9 indo (no teste Both)
    quando limito a RB pelas queues á 20MB de up e down , fica 18 indo e 18vindo + - ..

    ou seja, 40mb é o MAXIMO que a RB guenta em trafego wireless por isso que nao fica 31vindo e 31 indo

    ASSUSTEI com o ACK , deixei marcado 60 de ack!!!! e pra minha surpresa fico melhor!

    e agora tive que deixar modulado em 48MB e o sinal no turbo fico -65 -69 , mas tô monitorando e.. desde ontem a noite tá beleza e pra minha surpresa de manhã fica MELHOR do que de noite.

    outra coisa amigo, vô encomendar um No-break descente pra lá pois já deu uns pico de energia lá e você nem percebeu

  12. #12

    Padrão

    Precisa de Nobreak naum, essa semana vamos ativar o gerador lá.

  13. #13

    Padrão

    bão... entao vo por uma bateria la pra min só por prec..
    outra coisa até agora nada dos emails com o contrato..
    vou te aguardar então pra ir lá, pois temos que interligar as RB's,
    porém temos que puxar o cabo até la embaixo,
    e eu não tinha e não tenho o cabo FTP tenho que comprar eles pra ficar mais profissional lá..
    outra coisa, vamos montar um HACK lá?
    ou vamo deixar do jeito que tá?

  14. #14

    Padrão

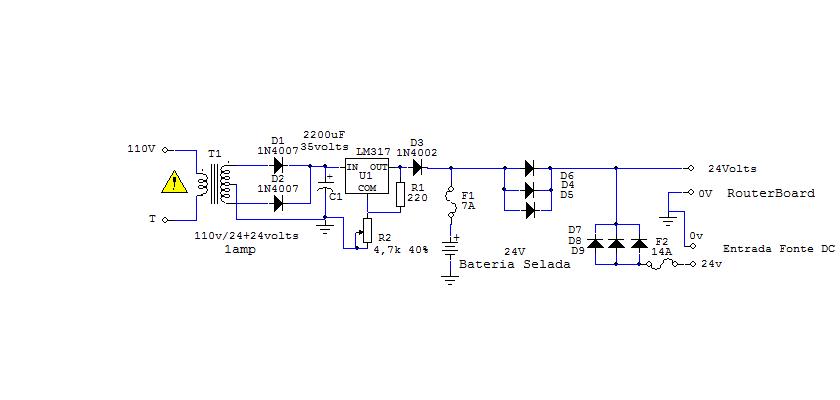
    A questão da eneria, eu fiz um circuito com diodos e um carregador de baixa corrente, tive autonomia de 8 hs com 2 baterias seladas de 7amp, ainda está em teste, vou colocar no blog todos os detalhes, adianto o circuito.
    Miniaturas de Anexos Miniaturas de Anexos Clique na imagem para uma versão maior

Nome:	         Sem título.jpg
Visualizações:	417
Tamanho: 	25,3 KB
ID:      	4794  

  15. #15

    Padrão

    Josue,
    eu uso aquele carregador da Ceitel, aquele de 3amp 13vcc,
    e nele ele ja carrega a batera em 12v e ja liga direto na rb..
    fica tipo aquele esquema de ligar a rb na bateria..
    coloquei em uma torre minha aqui e nunca mais tive problemas..
    nesse local la ta com esse carregador eu so nao coloquei a bateria, mas vou colocar..

  16. #16

    Padrão

    Citação Postado originalmente por yondaime Ver Post
    Josue,
    eu uso aquele carregador da Ceitel, aquele de 3amp 13vcc,
    e nele ele ja carrega a batera em 12v e ja liga direto na rb..
    fica tipo aquele esquema de ligar a rb na bateria..
    coloquei em uma torre minha aqui e nunca mais tive problemas..
    nesse local la ta com esse carregador eu so nao coloquei a bateria, mas vou colocar..
    Amigo,

    Poderia me passar o nome certinho do produto??

    Abraço

  17. #17

    Padrão

    Citação Postado originalmente por yondaime Ver Post
    Josue,
    eu uso aquele carregador da Ceitel, aquele de 3amp 13vcc,
    e nele ele ja carrega a batera em 12v e ja liga direto na rb..
    fica tipo aquele esquema de ligar a rb na bateria..
    coloquei em uma torre minha aqui e nunca mais tive problemas..
    nesse local la ta com esse carregador eu so nao coloquei a bateria, mas vou colocar..
    Para uso em baterias seladas, não sei se é o seu caso, a corrente máxima por bateria é 1,75 Amp, e a tensão é 13,8 volts, esses detalhes influênciam na vida útil da bateria e também numa carga perfeita. Cada caso é um caso, eu tive que fazer por que eu não podia usar baterias no pé da torre, por causa de roubo, então tive que subir as baterias, e não rola subir bateria de carro 40 metros na torre, então optei por baterias seladas. Como eu uso uma fonte de 24 volts por 14 amp na torre, para alimentar todas as RB, eu não podia simplismente socar os 14 amp nas baterias seladas, então tive que fazer o carregador. Bateria de Carro é diferente, mais não sei sobre os valores de amperagem e tensão para uma carga perfeita. Um outro detalhe que observei em testes, é que no caso de alimentção por baterias, 24 volts é melhor que os 12 volts, pois quando a bateria começa a enfraquecer e a tensão cair, a RB trava, a tensão mínima é 10 volts, mais com tensões baixas os travamentos são mais constantes, e tão com os 24 volts temos uma tolerancia maior para quedas de tensão quando a bateria enfraquecer.

  18. #18

    Padrão NStreme

    Deixa eu te perguntar uma coisa, um fiz um link destes a poucos dias, e custei a fechar, na verdade so fechou com nstreme, eu tive muita dificuldade (foram tres dias pra alinhar as antenas) e uma divida, sem o nstreme, com o sinal ruim (-92) o link fechava e funcionava sem velocidade suficiente mais fechava, quando eu alinhava a antena e o link ficava bom(-69), o link nao fechava ficava caindo, sera que realmente ninhas antenas estao apontadas certo, isso aconteceu com alguns de vcs alguma dica? vou fazer outro destes semana que vem, ja to preocupado....

    p.s. com o nstreme fica file.... 8mb no teste de velocidade, e 30 no trougpout do mk, to usando xr5 rb600 e oiw 33dbi disco

  19. #19

    Padrão

    Ulisses..
    -69 não é um sinal muito "bom" não..
    aqui eu fechei facil, sem muita mira eu consegui -64 depois de alinhado fico em -58 mas acredito que da pra melhorar mais um cado,
    mas com TURBO ativado o sinal foi pra -68.. e tá BEM estavel (até agora..)
    você colocou no canal 5765 ? setou o ack? deixo o DATA RATE fixo?

    esses tres passos eu tive que fazer pra ter um enlace BOM, se eu deixar tudo DEFAULT fica desconectando o WDS.

    Josue..
    eu não faço a menor ideia de como fazer pra ter em 24v , até gostaria de implementar mas não sei onde comprar as fontes e nem as baterias, você tá em que cidade? você dispoe desse equipamento para eu ir até ai compra-lo e você me da umas dicas? ou até poder postar aqui pra nós.. pois sinceramente não faço a menor ideia..


    rogeriosims..
    no site ceitel.com.br você acha la..
    o produto é esse: Ceitel.com.br : Sempre com muitas novidades pra você!

  20. #20

    Padrão

    Citação Postado originalmente por yondaime Ver Post
    Josue,
    eu uso aquele carregador da Ceitel, aquele de 3amp 13vcc,
    e nele ele ja carrega a batera em 12v e ja liga direto na rb..
    fica tipo aquele esquema de ligar a rb na bateria..
    coloquei em uma torre minha aqui e nunca mais tive problemas..
    nesse local la ta com esse carregador eu so nao coloquei a bateria, mas vou colocar..
    É bom lembrar que os sistemas de energia também são escopo de homologação Anatel, e muitas soluções práticas e funcionais como essa não passam na avaliação de um fiscal mais chatinho... é claro que se você não tem SCM, ou usa rádio não homologado, ou homologado fora da potência permitida, tem muito mais risco do que isso. Mas num programa de melhoria contínua, considere a substituição por homologados.

    Ou... ver com o pessoal de alguma associação a que você pertença a possibilidade de homologar para uso próprio dos associados alguns desses componentes bons e baratos que se tem nos POPs.
    Tanto a Abramulti quanto a ANID tem cogitado fazer isso com rádios e demais equipamentos.